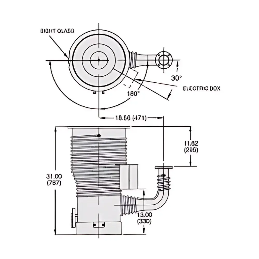
Agilent VHS-400 High-Vacuum Diffusion Pump
| Brand | Agilent Technologies |
|---|---|
| Origin | USA |
| Manufacturer Type | Original Equipment Manufacturer (OEM) |
| Import Status | Imported |
| Model | VHS-400 |
| Pumping Speed | Up to 4500 L/s |
| Weight | 81 kg (180 lbs) |
| Heater Power | 4400 W |
Overview
The Agilent VHS-400 is a high-performance oil diffusion pump engineered for demanding high-vacuum and ultra-high-vacuum (UHV) applications requiring stable, continuous pumping down to base pressures in the low 10−8 Torr range. Operating on the principle of vapor jet momentum transfer, the VHS-400 utilizes thermally stabilized silicone or polyphenyl ether-based pump oils, which are vaporized and directed through precisely engineered multi-stage nozzles to entrain gas molecules from the chamber and direct them toward the cooled pump walls—where condensation occurs and gases are transferred to the foreline via a mechanical backing pump. Its robust all-stainless-steel construction ensures compatibility with aggressive process environments and long-term resistance to corrosion, outgassing, and thermal cycling.
Key Features
- Optimized convex-shaped pump chamber geometry enhances gas capture efficiency and improves molecular flow dynamics across the entire active pumping zone.
- Integrated oil-level observation window enables real-time visual monitoring of oil condition and fill level without system venting or disassembly.
- Dedicated fill-and-drain assembly simplifies routine oil maintenance, minimizing downtime and reducing risk of contamination during servicing.
- Four-stage fractional distillation nozzle stack provides enhanced oil purification by separating volatile breakdown products from the main oil reservoir—extending operational lifetime and maintaining consistent vapor pressure characteristics.
- Finned heating plate design increases thermal contact surface area, enabling uniform oil temperature distribution and reducing localized hot spots that accelerate oil degradation.
- Integrated thermal protection circuit with redundant overtemperature cutoff safeguards heater elements and pump integrity under abnormal operating conditions—including cooling failure or insufficient forepressure.
- Standard rapid-cooling coil facilitates accelerated cooldown after shutdown, reducing residual vapor backstreaming and supporting faster system restart cycles.
- Stainless-steel cold trap baffle mounted at the inlet prevents oil migration into the vacuum chamber and protects downstream instrumentation from hydrocarbon contamination.
Sample Compatibility & Compliance
The VHS-400 is compatible with standard ISO-KF 63/100 and CF 150/200 flange configurations, allowing seamless integration into existing high-vacuum systems used in materials science, thin-film deposition, and surface analysis laboratories. It meets applicable requirements for cleanroom-compatible operation per ISO 14644-1 Class 5 when installed with appropriate foreline filtration and oil mist traps. While not inherently compliant with FDA 21 CFR Part 11, its operational parameters can be logged and audited via external SCADA or PLC interfaces when paired with Agilent’s optional vacuum system controllers. The pump adheres to CE marking directives for electromagnetic compatibility (2014/30/EU) and low-voltage safety (2014/35/EU), and conforms to ISO 21809-2 and ASTM F2437 standards for vacuum system component qualification in industrial coating applications.
Software & Data Management
The VHS-400 operates as a standalone hardware component and does not include embedded firmware or onboard digital control. However, it is fully interoperable with Agilent’s Vacuum System Manager (VSM) software suite when deployed with compatible vacuum gauges, mass spectrometers, and programmable controllers (e.g., Agilent TurboVAC iQ or Varian DS series). VSM supports time-stamped logging of heater power draw, foreline pressure trends, and thermal sensor feedback—enabling GLP/GMP-compliant audit trails when configured with user-access controls and electronic signature modules. All data exports comply with ASTM E2500-22 guidelines for raw vacuum system parameter recording.
Applications
The VHS-400 serves critical roles in industrial and research-scale vacuum processes where high throughput and long-term stability are essential. Primary use cases include: high-rate physical vapor deposition (PVD) for architectural glass and automotive mirror coatings; batch and continuous vacuum heat treatment of aerospace alloys; electron-beam evaporation systems for optical thin-film fabrication; and large-chamber sputtering lines for semiconductor packaging substrates. Its high pumping speed and tolerance to moderate process gas loads make it particularly suited for reactive sputtering environments involving argon/oxygen or argon/nitrogen mixtures.
FAQ
What is the recommended backing pump pairing for the VHS-400?
A rotary vane or dry scroll pump with minimum 20 m3/h (12 CFM) capacity and ultimate pressure ≤1 × 10−2 Torr is required to maintain optimal compression ratio and prevent backstreaming.
Can the VHS-400 operate continuously at full power?
Yes—its heater design and thermal management system support uninterrupted operation at rated 4400 W when supplied with adequate cooling water flow (≥3.5 L/min at 15–25°C inlet temperature) and stable foreline pressure.
Is oil change frequency documented in the maintenance manual?
Agilent recommends oil replacement every 6,000 hours of operation under typical clean-process conditions; intervals decrease proportionally with exposure to reactive or condensable vapors such as water, solvents, or metal oxides.
Does the VHS-400 require special foundation mounting?
No rigid anchoring is needed, but vibration isolation pads are advised when installed adjacent to sensitive metrology tools or interferometric measurement setups.
What certifications accompany shipment?
Each unit ships with a Certificate of Conformance (CoC), factory calibration report for heater resistance and thermal cutoff verification, and material traceability documentation per ASME BPE-2021 Annex A for wetted components.




